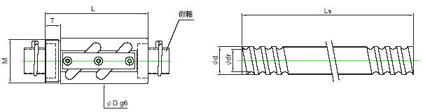
轉造級  

RSVW

備註:
螺帽剛性:
如上表所示之剛性值是施加30%之重負荷時,溝槽與鋼珠間所產生的彈性變形而求得之理論值。
若軸向負荷與理論條件不同時,請參照附註(傳動螺桿系統的剛性) 。

 




TOP