Products
Ball Screw Linear Actuator
Ball Screw Support Unit
Servo Motor Bracket
Shaft Coupling
Ball Screw Nut Bracket
Ball Screw Lock Nut
Purchase Guide
About SYK
About US
Exhibition Photo
SYK HISTROY
FAQ
Quality Control
CERTIFICATION
INSPECTION
EU REACH SVHC / RoHS
News
Exhibition
Popular Information
Catalog
Contact Us
SYK Taiwan
SYK Shanghai, China
VIP LOGIN
English
日本語
繁體中文
簡體中文
Purchasing List
Order History
Edit Information
Change Password
Log out
English
日本語
繁體中文
簡體中文
Purchasing List
Order History
Edit Information
Change Password
Log out
Products
Ball Screw Linear Actuator
Ball Screw Support Unit
Servo Motor Bracket
Shaft Coupling
Ball Screw Nut Bracket
Ball Screw Lock Nut
Purchase Guide
About SYK
About US
Exhibition Photo
SYK HISTROY
FAQ
Quality Control
CERTIFICATION
INSPECTION
EU REACH SVHC / RoHS
News
Exhibition
Popular Information
Catalog
Contact Us
SYK Taiwan
SYK Shanghai, China
SIGN UP / VIP LOGIN
日本語
繁體中文
簡體中文
VIP LOGIN
Account
Password
Password Forget??
or
SIGN UP
Home
/
Product List
/
Servo Motor Bracket
/
Integrated Motor Bracket
/
MBCF
/
MBCF12 MOTOR BRACKET
MBCF12 MOTOR BRACKET
PRODUCT SPECIFICATIONS
Coding instructions
Load Characteristics
Catalog Download
CAD download
Shaft end machining
Video
Applicable motor
Decomposition Diagram
D Combination chart
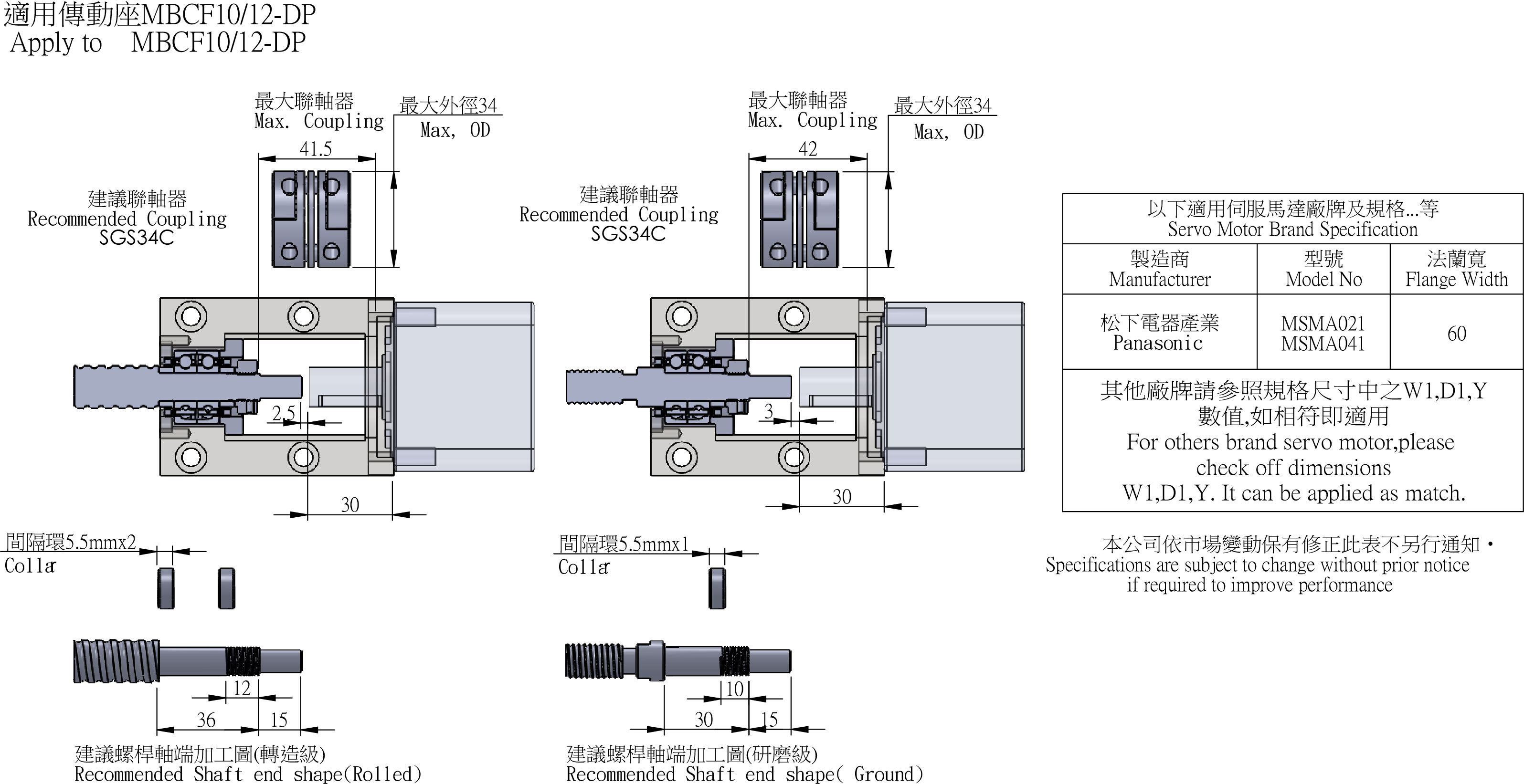
DP Combination chart
Cushion
Dimensions
Diagram
DP Combination chart
ORDER
ORDER/QUOTATION